Free Schematic Layout and Diagram for device M5F also known as Samsung Galaxy M SMM5F manual service and troubleshooting, Dengan adanya skematik, akan sangat memudahkan dalam pengerjaan suatu kasus dalam perbaikan smartphone khususnya hardware pada skema Samsung Galaxy M M5F yang bermasalah seperti short, putus jalur, speaker mati, notSaba Diagrams 30 SAC Diagrams 3 SAE Diagrams 6 Safar Diagrams 128 SAIRA Diagrams 3 Salvan Diagrams 3 Samick Diagrams 2 Samlex Diagrams 1 Samson Diagrams 4 Samsung Diagrams 412 Sano Diagrams 12 Sansui Diagrams 78 Sanyo Diagrams 33 Savigliano Diagrams 61 Schaub Lorenz Diagrams 16 Schlumberger Diagrams 5 ScottSamsung ck14c8vr5s schematic diagram Samsung ck14r1vr5x schematic diagram Samsung j700 schematic diagram Samsung galaxy s6 edge plus g928 battery connector terminal jumper ways Samsung galaxy s6 edge plus g928c display problem solution jumper ways Samsung galaxy j4 plus j415 mic solution jumper problem ways microphone Samsung galaxy m
Samsung Schematics And Diagrams Youtube
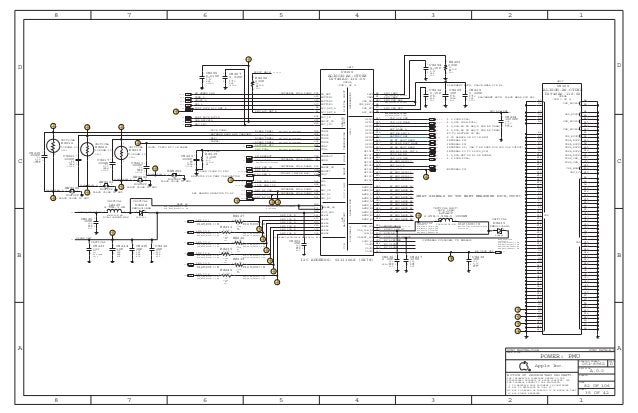
Samsung m20 circuit diagram
Samsung m20 circuit diagram-Samsung A10, 0, A30, A50, A51, 0, 1 Charging Stopped Temperature is Too High OK; 📑Service Manual Samsung M SMM5GMovilidad SmartphonesRecursos Ténicbos Manual de Servicesuscribirse para mas manuales subscribe for more manuals⬇️Link



Samsung 210 Schematic
Samsung Galaxy M M5F Schematic – Service Manual In this post, we have put up the download link for Samsung Galaxy M M5F schematic diagram or service manual And Block Diagram format File PDF you can use this schematic for repair damage by hardware, to identify ways of a block diagram, to make jumper trick, to find the component layoutSamsung Galaxy M M5F Schematic Service Manual February In this post, we have put up the download link for Samsung Galaxy M M5F schematic diagram or service manual And Block Diagram format File PDF you can use this schematic for repair damage by hardware, to identify ways of a block diagram, to Download Samsung Galaxy M M5f Schematic Service Manual In Galaxy Samsung Samsung Galaxy Sm J701f J7core Schematic Diagram Samsung Galaxy J7 Neo Sm J701f Schematic Pcb Pdf Pcb Layout Boardview Pdf Schematic
In this post we shared schematic samsung a a5fn and block diagram format file pdf you can use this schematic for repair damage by hardware to identify ways of a block diagram to make jumper trick to find the component layout schematic and block diagram troubleshooting service manual Samsung a isp pinout Oppo reno 2f isp pinout oppo f15Samsung m30s schematic diagram Regards Samsung TV repair manual schematics;The collection contains schemes and service manuals of excellent quality on more than 260 models of Samsung cell phones SAMSUNG GTB5702, SAMSUNG GTC3050, SAMSUNG GTC5212, SAMSUNG GTE1075, SAMSUNG GTE1085L, SAMSUNG GTE1100, SAMSUNG GTE1125, SAMSUNG GTE21, SAMSUNG GTI7110, SAMSUNG GTI7500, SAMSUNG GTI10, SAMSUNG GTM25L, SAMSUNG
Add Huawei GR3 17 (HL3PRAM) Schematic DiagramAdded 500 Samsung Connectors (LCD Connector /FPC Connector/Camera Connector/FingerPrint Connector/USB Socket)Add Samsung Galaxy 1 (SM15F) LCD Backlight WaysAdd Xiaomi Mi 11 (K2MOA) PCB TeardownAdd Samsung Galaxy 18 (SMF) Charging&USB WaysAdd Oppo 3 5G (PCGM00/2F6) PCB TeardownAdd SamsungSamsung Xiaomi Schematic Diagram Collecti Categories Samsung, Smartphones Schematics s SMM5F Schematic Post navigation Redmi K30 Pro 5G Schematic & PCB Layout Lenovo ThinkPad 65 Schematic – LCFC D75 NM51 Schematic



Samsung Galaxy M30 Design Hardware Layout Leaked Android Community



Samsung M Sm M5 Hardware Solutions Borneo Schematics Youtube
Sir i need samsung b313e schematic diagram #165 keliye laal korey debo (Wednesday, 04 December 19 0643) gaanr marao bara #164 Tanjijul haque (Saturday, 30 November 19 0749) I want circuit and schematic diagram of moto g4 plus charging and usb section #163J0 dead customer need datadc power supply amperes postedhelp me; SamsungSMG350schematic diagrams Samsungmm5fschematicdiagram Samsungj2corej260gschematicdiagram SamsungSMJ701FSchematics and Service Manual Samsung Galaxy j5 smj530f Schematics and Service Manual Samsung Galaxy GTi9003 schematic diagram and service manualpcb



Samsung Pdf Schematics And Diagrams Schematic Diagrams User S Service Manuals Pdf



Q Tbn And9gcqfkp1rifx Vypukgaas0onfpjkkmiozhixjddvzfvvgins7tlc Usqp Cau
The best 4K TVs for game box and computer games in 16;Download Samsung Galaxy M SMM5 Schematic diagram PDF Size 17 MB Back to Spare part price list View Photo Samples Samsung Galaxy M SMM5 Specifications Related Devices Schematic diagram Download Download Vivo V Schematic diagram#cracktechindonesia #schematicandroid #schematicsamsungSchematic Diagram Samsung Galaxy A10,0,A30,A50,0,M,M30,Z,Z1,Z2 Free DownloadSchematic Diagram Sa



Samsung Galaxy M 19 Service Manual Sm M5f Service Manual Notebookschematics Com



Samsung Galaxy M Sm M5 Schematics
Samsung Mobile Phones History There are some Samsung Mobile Phone Service Manuals & Schematic Diagrams PDF above The company's history began in 1938 in Daegu In 1948, the company was given the name SAMSUNG TRADING CO In 1969, the company made a breakthrough in advanced electronic industry virtually from scratchSamsung A606y Mpi fail;ZW_0423 Samsung Tv Schematic Circuit Diagram Together With Samsung Led Tv Schematic Wiring More EH_2907 Samsung Tv Schematic Circuit Diagram Together With Samsung Led Tv Schematic Wiring More Replacement LCD Touch Screen Digitizer Parts for Samsung Galaxy 0S 07 070 Buy Online at Best Prices in Pakistan



Samsung Galaxy M Schematic Sm M5f Schematic Notebookschematics Com



Samsung Galaxy M10 Schematics By Rohanp15 On Deviantart
Samsung_Galaxy_S10e_Schematic_Diagramzip Samsung Galaxy S10e Service Manual – Schematics Diagram Find a list of available content in the Samsung Galaxy S10e G970F Service Manual or Schematics Diagram folder, that is available with the screenshot to download on by one or Samsung Galaxy S10e schematics diagramzip file Content 1 SafetySamsung 1 SM715 stuck on Samsung logo;Samsung g532f cpu reballing;



Samsung S8 Plus Diagram Diagram Base Website Plus Diagram Samsung M Schematic Diagram



Samsung Galaxy 0 Sm 05f Fn G Schematics
Samsung A02/A022F Schematic diagram here;Samsung Diagrams, Schematics and Service Manuals download for free! samsung (29) Schematic Library Update () borneo schematic () borneo schematic download (16) Video Hardware Solutions (10) Borneo Schematic Content (8) Borneo Schematic News (8) xiaomi (7) Hot Request (6) oppo (6) borneo schematic update (3) meizu (3) hardware solution (2) oppo f7 hardware solution (2) samsung a305 hardware solutions (2



Samsung Galaxy M Sm M5 Schematics



Samsung Galaxy Xcover4 Sm G390w Schematics
Samsung G350 Service Manuals & Schematics compressed file archive 43 MB download Samsung G925F (S6 Edge) Service Manuals & Schematics compressed file archive 605 MB Full_Schematic Samsung Galaxy M SMM5F/FN/G/M_ (Free Download) Sebelumnya kami membagikan tentang Schematic Samsung Terbaru dan Lengkap pada postingan ini kami akan membagikan lagi Schematic Samsung_Galaxy_Galaxy M SMM5F/FN/G/M Seperti yang kita tau,skema ini sebuah diagam Layout smartphone yang wajib di The leaked schematic diagram of the device Samsung Galaxy M30 revealed that it will have much similarities to its sibling Galaxy M , as both have a fingerprint sensor on its backThe main attraction of the device will be its triple rear cameras, which will make it unique among its siblings Samsung Galaxy M10 and Galaxy M which have dual



Mi3c Mobile Ident Iiic Schematics Protel Schematic Cogent Systems



Borneo Schematic Hardware Solutions
Schematic Diagram Samsung Gratis Password RAR ada di Video,,Silahkan disimak ya kak,, List Type Samsung_Galaxy_A30s_A307FN_Schematic Samsung_Galaxy_0_05F_Schematic Samsung_Galaxy_S10_G973F_Schematic Samsung_Galaxy_J4_J400F_Schematic Samsung_Galaxy__17_SMF_Schematic Samsung_Galaxy_M_SMM5F_SchematicUse product model name Examples laserjet pro p1102, DeskJet 2130 For HP products a product number Examples LG534UA For Samsung Print products, enter the M/C or Model Code found on the product label Examples "SLMW/XAA" Include keywords along with product name Examples "LaserJet Pro P1102 paper jam", "EliteBook 840 G3 Samsungmm5fschematicdiagram Samsungj2corej260gschematicdiagram For More Samsung schematic diagrams from here APPLE SCHEMATIC DIAGRAMS iPad 1 schematic diagrams, iPad 2 Cellular schematic diagrams pdf, iPad 3 schematic diagrams, iPad Air schematic diagrams pdf, iPad Air2 Cellular schematic diagrams pdf, iPad Air2 schematic



70 Schematic Diagram Infographics Conceptual Model



Samsung S8 Plus Diagram Diagram Base Website Plus Diagram Samsung M Schematic Diagram
Download Samsung Galaxy 2 Schematic diagram Samsung Galaxy 2 Release in June 21 comes with Android 11, MediaTek Helio G80 chipset, 4 GB, Display size 64 Inch, 7 x 1600 pixels Screen Resolution, 48 MP Primary Camera, LiPo 5000 mAh Battery, weight 186g release price USD 268, EUR 234, INRTelefunken company history Telefunken German industrial company, which is known primarily as a producer of television and radio equipment, means of communication It founded in 1903 The company was founded in 1903 Immediately prior to its creation Siemens & Halske and AEG company could not agree on a jointly developed patentsAdd Apple iPad Pro 3 110 LCD Backlight WaysAdd Samsung Galaxy Note 9 (SMN960U/W) NTC Thermistors المقاومات الحراريةAdd Oppo F9 Pro (2BD10) Schematic DiagramAdd Huawei Nova 3i (INELX1) MIC&Speaker&Earpiece Ways__Add Oppo A5s (CPH1909/_1_12) LCD Backlight WaysAdd Samsung Electrical Parts List (EPLIS) for 100 Mobile PhonesAdd Samsung



Samsung Pdf Schematics And Diagrams Schematic Diagrams User S Service Manuals Pdf



Samsung Galaxy M Sm M5 Schematics
The collection contains schematic diagrams and service manuals of excellent quality for over 260 models of Samsung mobile phones Other schematic diagrams and service manuals can be downloaded from our Free online library on electronics Free package of programs to work with pdf and djvu files can be downloaded hereIncluding samsung al29ao chassis lw29a13w lcd tv sm tv service manual, samsung cft tv service manual, samsung ckh1 tv service manual, samsung ck28c7 tv service manual, samsung ck501f tv service manual, samsung ck765 tv service manual, samsung cs21s8nas ks2a tv service manual, samsung Samsung Galaxy M SMM5 schematics Posted on Posted on By Admin Schematics Samsung Galaxy M SMM5F/FN/G/M



Samsung 210 Schematic



Samsung Block Diagram Galaxy M Smartphone Personal Digital Assistant
schematic and svc samsung smm022g smm022g schematic and svc samsung smm022g This Samsung schematic diagram was written in English and published in PDF FileKohler M SIMPLICITY HP (149KW) SPECS Exploded View parts lookup by model Complete exploded views of all the major manufacturers It is EASY and FREE



70 Schematic Diagram Infographics Conceptual Model



C110x Tablet Pc Schematics Shenzhen Canjing Electronics
Soon after Samsung announced the Galaxy M10 and Galaxy M in India, there is a third Mseries device in the pipeline A new leak from PriceKartcom shows a Galaxy M30 on a schematicSamsung Galaxy J7 16 SMJ710F Diagram Samsung Galaxy J7 SMJ700F Schematic Samsung Galaxy J7 SMJ700H Schematic Samsung Galaxy J7 Core (Nxt) SMJ701F Schematic Samsung Galaxy M SMM5F Schematic Samsung Galaxy M30 SMM305F Diagram Samsung Galaxy Note 3 Neo SMN750 Schematic Samsung Galaxy Note 3 SMN900 Schematic SamsungSamsung Galaxy M SMM5F Schematic Samsung Galaxy M30 SMM305F Diagram Samsung Galaxy Note 3 Neo SMN750 Schematic samsung j8 schematic diagram samsung j7 pro schematic pdf Galaxy 0 Schematic koleksi skema samsung terbaru Update Skema Samsung download skema samsung lengkap gratis



Samsung Pdf Schematics And Diagrams Schematic Diagrams User S Service Manuals Pdf



Mobile1tech Mobile1tech Com Latest Additions 27 2 21 Facebook
by notebook Service manual for Samsung Galaxy M, SMM5F Service Manual Includes Level 2 Repair Disassembly Level 3 Repair PCB Diagrams, Block Diagram, Flow chart Electrical part list Format PDF Total Pages 141 SAMSUNG BN44 POWER SUPPLY SMPS SCHEMATIC CIRCUIT DIAGRAM / Tft samsung 151s(gh15ls) service manual Colored ct70 wiring diagram wiring multiple schematics to 3 wire switch piooner radios tukune jeanjaures37 fr Wiring samsung schematic smm pircam wiring diagram schemas Daftar 1347 Samsung Galaxy A10e SMA102 Release in July 19 comes with Android 9 (Pie), Exynos 74 chipset, 3 GB, Display size 58 Inch, 7 x 1560 pixels Screen Resolution, 80 MP Primary Camera, LiPo 3000 mAh Battery, weight 168g release price USD 181, EUR 158, INR Schematic Diagram Samsung Gratis Password RAR ada di Video



Samsung Schematic Mobile Diagram Update Samsung A10 0 A30 A50 0 M M30 Complete Youtube



2
After the Samsung company announced Galaxy M10 and Galaxy M, a new mobile which was in the series to be released named Galaxy M30 schematic diagram leaked by pricekartcom showing the diagram of the mobile as mentioned in the user manual Just like other two M series phones, this mobile will also have a sharp radiant finish in blue and black color borneo schematic download program hardware solutions pcb service manual samsung oppo vivo j106m schematic samsung j1 smj110 hardware solutions samsung j5 prime borneo schematic samsung j5 prime hardware solutions samsung m smm5 hardwar e solutions samsung m smm5 hardware solutions samsung schematic update SamsungDetail the schematic diagram of



Samsung Pdf Schematics And Diagrams Schematic Diagrams User S Service Manuals Pdf



Gtp60l Tablet With 802 11abgn Bt3 0 Schematics Samsung Electronics
Kohler M BASIC HP (149KW) SPECS Exploded View parts lookup by model Complete exploded views of all the major manufacturers It is EASY and FREE



Samsung Gt C3322 Metro Duos Schematics



Samsung Gt P5100 Galaxy Tab 2 10 1 Service Schematics Pdf Chess Chess Theory



Samsung Gt P5100 Schematics Www S Manuals Com Service Schematics



Borneoschematic Samsung J5 Prime Sm G570 Sm G615f Servicemanuals Sm 05gn Schematics Download Youtube



Iphone 5s Full Schematic Diagram By Yun Zhang Issuu



Schematic Samsung Galaxy M10 M105f Service Manual Samsung Galaxy Samsung Elektronik



I Phone 4s Full Schematic Diagram



Samsung Galaxy M Sm M5f Schematic Diagram Cestin Net



Schematic Diagram Samsung Update For Gsm



Huawei Y7 Prime 17 Hardware Solutions Update March 13 Borneo Schematic Hardware Solutions



Ipad 4 Full Schematic Diagram



Iphone X Schematic Full Pdf



Samsung Galaxy M Service Manual Notebookschematics Com



Ipad 3 Full Schematic Diagram



Download Samsung Galaxy M M5f Schematic Service Manual Samsung Galaxy Galaxy Samsung



Samsung Gt P5100 Schematics Www S Manuals Com Service Schematics



Samsung Galaxy M M5f Isp Emmc Pinout Test Point Jumper Ways Free Download Mobileflasherbd Com



Samsung Diagrams Mobile Diagram Base Website Diagrams Samsung M Schematic Diagram



Samsung Galaxy M10 Specifications Schematics Revealed In Big Leak Gizmochina



Acer S3 391 121 2 48 4th03 021 Hm2 Cr Uma Schematic Alisaler Com



Samsung Galaxy M30 Dimensions And Layout Leaks Gsmarena Com News



Borneo Schematic Hardware Solutions



Samsung Gt P6800 Schematics Www S Manuals Com Service Schematics



Compal La 8131p 8132p Schematics Www S Manuals Com R0 6 Schematics



Download 37 All Mobile Schematic Diagram Datasheet Download



Schematic Samsung Galaxy M Sm M5f Manual Service Skema Free Gratis All Skematik



Mobile1tech Mobile1tech Com 1st Hardware Support Latest Facebook



Samsung 210 Schematic



Samsung M Reassembly Disassembly Samsung M Teardown Youtube



Samsung S8 Plus Diagram Diagram Base Website Plus Diagram Samsung M Schematic Diagram



Mobile1tech Com Mobile Phone Disassembly Ic Chip Teardown Diagram Schematic Ways Solutions Pinouts



2



I Pad 2 Full Schematic Diagram



Mobile1tech Com Mobile Phone Disassembly Ic Chip Teardown Diagram Schematic Ways Solutions Pinouts



Borneo Schematic Hardware Solutions



Samsung Galaxy M Schematic Sm M5f Schematic Notebookschematics Com



Azumia40lt Mobile Phone Schematics 4035 Emmc Lpddr2 Fdd 3m8m V11 0 Azumi S A



Samsung Sgh T108 M Gsm Sch Service Manual Download Schematics Eeprom Repair Info For Electronics Experts



Pin Di Download



Samsung A50 A505 Hardware Solutions Borneoschematics Content Borneo Schematic Hardware Solutions



Mobile1tech Posts Facebook



Schematics Diagram Samsung Phones All Models For Free Download Mobileflasherbd Com



Schematic Samsung Galaxy M10 M105f Service Manual Samsung Galaxy Galaxy Samsung



Borneo Schematic Hardware Solutions



Samsung Pdf Schematics Circuit Diagram Free Manuals



Samsung Page 3 Notebookschematics Com



Download Redmi 4x Service Manual Schematics Diagram



Samsung Schematics And Diagrams Youtube



Samsung Galaxy S10e Schematic Diagram Service Manual



Download Samsung Galaxy J7 J700f Schematic Diagram And Service Manual



2



Demo Borneo Schematics Samsung Xiaomi Oppo Free Download Cruzersoftech



Azumia40lt Mobile Phone Schematics 4035 Emmc Lpddr2 Fdd 3m8m V11 0 Azumi S A



Notebook Page 38 Notebookschematics Com



Banstech Solutions Samsung Schematic Diagram Collection For Samsung Pdf Schematics User And Service Manuals



Samsung Galaxy M30 Leaked Schematics Show Off Galaxy M Like Design With Three Rear Cameras



Samsung Galaxy M 19 Service Manual Sm M5f Service Manual Notebookschematics Com



M User Manual Schematics Leaked Samsung Members



Samsung All Model Schematic Gsm Brothers



I Pad 2 Full Schematic Diagram



Mobile1tech Posts Facebook



Samsung Sgh T108 M Gsm Sch Service Manual Download Schematics Eeprom Repair Info For Electronics Experts



T11s Free Schematic Diagram Manualzz



1



Samsung Galaxy Fold Sm F900f Schematics



Samsung Galaxy M The Futuristic Smartphone Open Sky News



Samsung Galaxy M10 19 Service Manual Sm M105f Service Manual Notebookschematics Com



Alborado Wu Xin Ji Dongle Wuxinji Board Schematic Diagram Repairing For Iphone Ipad Samsung Phone Software Repairing Drawings Cpr 84 26 Full Cell Phone Spare Parts Lcd Refurbishment Machines Electronparts



Samsung M5f Isp Pinout Gadget To Review



Samsung Gt P5100 Schematics Www S Manuals Com Service Schematics



Hp Stream 14 Ax010wm Da0p9mb16d0 Schematic Diagram Materiel Informatique Informatique



1



Samsung M Sm M5 Hardware Solutions Borneo Schematics Youtube



Samsung Galaxy M M5f Schematic Diagram And Service Manual



Samsung M Charging Solution 100 Full Practical Way Explain By Feroz Sir Asia Telecom Team For Gsm



1


0 件のコメント:
コメントを投稿